Loading...
 

The Timed functions

Description

The timed function switches another function during a predefined time to the desired status. The timed function is optimized for use on push buttons, touch panels, touchscreens and for use in other functions (e.g. Local mood, general mood,…).

Parameters

Within the function

Image170

Name
Enter a short and clear name for the 'Timed function’ here.
Room
select here the room in which the Timed Function is to be activated
Icon
select here whether the Timed Function has to be represented on a TELETASK touchscreen and if yes, under which icon.
Select Output
this parameter defines the de function which has to be activated for a certain time. Depending on the function which is being integrated, more or less parameters will be defined. Consult for this matter the description of the specific functions. The functions which can be operated in accordance with a timer function are : 'Relay', 'Dimmer', 'Local Mood', 'Fan', 'Flags', 'If-Then-Else' and 'Process'
Use in a timed function only an output that can be switched off.

Status
this parameter defines the status to which the output has to be set for a certain time. The status can be set at 'On', 'Off', or any applicable intermediate value (e.g. for dimmers).
Duration
this parameter determines how long the output will have to remain activated. When the duration has elapsed the output will be switched OFF (if possible).

Function behaviour when used on an interface

Option ‘SET ON’ (default)

Short
With a short push on the button the selected function is activated for the whole duration, e.g. the lamp is switched on. When the duration has elapsed, the 'Timed' function will switch off the selected function.
Long
Operation is the same as for short.


Option ‘SET OFF’

Short
With a short push on the button the selected function is switched OFF. It the timer is running it is stopped.
Long
Operation is the same as for short.


Option ‘Toggle ON/OFF’

Short
If the selected output is in the state described in the ‘Timed function’, the output is switched OFF. If the selected output is not in the state described in the ‘Timed function’, the output is switched to this state and the timer is started. In both case this is regardless of whether the timer was running or not.
Long
Operation is the same as for short.

Activating the 'Timed' function when the previous duration has not yet elapsed, will activate the 'Timed' function again without taking into account the previous duration. Consequently the duration will be run through completely.
If the 'Timed' function is ‘SET ON’ when the selected output is in the state described in the ‘Timed function’, then the selected output will switch OFF when the timer elapses.
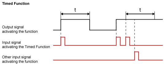
If the selected output is set to the state described in the ‘Timed funcion’ by another function when the timer is running, then the selected output will NOT switch OFF when the timer elapses. See schematic below:

Image172

Function behaviour when used in another function

  • The 'Timed' function can be selected from another function. When the other function is switched on the 'Timed' function will behave as described in the ‘SET ON’ option for the ‘function behavior when used on an interface’.

The other function can be switched off only when all functions in the other function are 'true'. For the 'Timed' function this implies that the timer has to be active.
Not every function can be switched off. Consult for this matter the description of the respective function.

Switch Language

TELETASK Technical handbook