Loading...
 

The Motion detector function

Description

The motion detector function switches another function during a predefined time to the desired status. The motion detector function is optimized for use on digital inputs to which a ‘motion detector’ is connected and for the ‘motion detector in the SIRIUS or AURUS-2 SENSE

Parameters

Within the function

Image173

Name
Enter a short and clear name for the 'motion detector function’ here.
Smart’ Light level
Set the light level at which the motion detector should start working. The motion detector will only activate the output (light) if the current light level is below this value. When the output (light) is active, the ‘Smart’ light level will be adjusted, to compensate for the influence of the output on the light sensor.
Extra Condition
Optional! Define a condition here that must be true before the output of the motion detector function will be activated. The typical example is a light level but more complex conditions are possible.
Select Output
this parameter defines the de function which has to be activated for a certain time. Depending on the function which is being integrated, more or less parameters will be defined. Consult for this matter the description of the specific functions. The functions which can be operated in accordance with a timer function are: 'Relay', 'Dimmer', 'Local Mood', 'Fan', 'Flags', 'If-Then-Else' and 'Process'
Use in a motion detector function only an output that can be switched off.

Status
this parameter defines the status to which the output has to be set for a certain time. The status can be set at 'On', 'Off', or any applicable intermediate value (e.g. for dimmers)
Duration
this parameter determines how long the output will have to remain activated. When the duration has elapsed the output will be switched OFF (if possible).

Remark: A 'motion detector' function cannot be switched off. This switches off automatically when the duration has elapsed.
Remark: If the selected output is switched by another function to the state as described in the motion detector function then the state of the selected output will not change when the timer of the motion detector has elapsed. In such case it doesn’t matter if the selected output was first activated by the motion detector function or by the other function. e.g. when the light is switched by the motion detector function and that light is again switched on by a local mood, then the light stays on after the timer has elapsed.
If motion detector function controls multiple outputs (e.g. by using a LMD) than the remark above is applied to each of the outputs individually. E.g. When two lights are switched by the motion detector function and one of the lights was already ON, than that light will not be switched off by the motion detector if the timer elapses. The other light will be switched OFF.
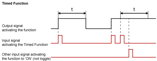
If multiple motion detectors are configured to control the same ‘motion detector function’ than the timer of the motion detector function will only start when no motion is detected anymore on all of the motion detectors. See schematic below:

Image174

Function behaviour when used on an interface

When a 'Motion Detector' function is selected then the names 'Short' and 'Long' are modified into 'When closing' and 'When opening'. This happens because the option 'edge triggered' with a 'Motion Detector' function is set automatically. Consult for this function the chapter on “Digital Input Interfaces’.

On closing
When the motion detector detects a movement, the selected function will be activated in accordance with the wanted status. As soon as no movement is detected any more the respective output remains active for the set duration to switch off afterwards.

A 'Motion Detector' function can only be selected in the 'on closing' mode of a digital input.
The 'On opening' mode can still be set independently, but is used very seldom used.
A motion detector has always to be connected to a 'Motion Detector' function. Connecting another function to a motion detector, will result in an unwanted or faulty functioning of the motion detector.

Function behaviour when used in another function

The motion detector function cannot be used from another function.

Switch Language

TELETASK Technical handbook