Loading...
 

What is full galvanic isolation

Definition: Galvanic isolation is a principle of isolating functional sections of electrical systems to prevent current flow, so there is no direct conduction path between them. Energy or information can still be exchanged between the sections by other means, such as optical connection via opto-couplers.


Also in the TELETASK installations, (full) galvanic isolation means that there is no electrical connection between for example AUTOBUS 1 and AUTOBUS 2. In case of MICROS+ central unit, thatis not possible, because there is only one power supply in it. In case of NANOS you have the choice. You can use one power supply and connect it to both power inputs for AUTOBUIS 1 (and the working of the NANOS itself) and to AUTOBUS 2.
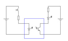
In the drawing below
FAQ 06
In the circuit above, the left electronics can work with the right part because they a optically coupled, but there is no electrical connection between them; This means that if a spark or over Voltage occurs on the right circuit, the left circuit will not be defect because they are not connected. So the damage will be limited and/or the left part can remain working while the right one is defect (not in the above example but imagine that the left part is AUTOBUS 1 and the NANOS electronics and the right one is AUTOBUS 2 ). The NANOS remains working and AUTOBUS 1 as well. So such galvanic isolation (in this case) is used to avoid that a whole installation is defect when an over Voltage occurs on one of the AUTOBUS circuits.

Remark: This is only valid for a long as the over Voltage is limited and doesn’t exceed the isolation Voltage available at the optical circuit. So if an over Voltage occurs of 500 Volt, that will not be a problem. But if an over Voltage of 10.000V (lighting strike) occurs, the galvanic isolation of the optical circuit will not be enough and both side may get damaged.


The NANOS, there is an internal galvanic (opto-electronic) isolation between the NANOS electronics (and AUTOBUS 1) and AUTOBUS 2.
In the MICROS central unit you don’t have such isolation, but if you add the TDS10202 extension interface in combination with extra power supplies, you obtain galvanic isolation with the extra AUTOBUS 3 an 4 from this TDS10202. Also when used with NANOS, AUTOBUS 3 and 4 are isolated. If you use four power supplies on NANOS, the four AUTOBUS lines are all galvanically isolated from each other and we can call it full galvanic isolated (see drawing below).

FAQ 07


Table of contents:

Switch Language

TELETASK Technical handbook